Forged Reducing Inserts

  • Forged Pipe Elbow Fittings – 45°
  • Another Image
  • Thumb 1
  • Thumb 2
Forged Fittings

Forged Reducing Inserts

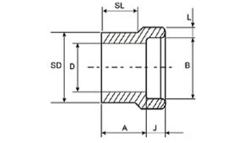
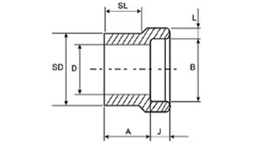
Flangeman Steel Worldwide Pvt Ltd manufactures and supplies premium-quality Forged Reducing Inserts, designed to reduce the bore size of socket weld fittings without changing the pipe size of the main line. These inserts are widely used in high-pressure piping systems where a branch connection with a smaller size is required.

Manufactured using advanced hot closed-die forging technology, forged reducing inserts offer superior mechanical strength, dimensional accuracy, and excellent resistance to high pressure and temperature conditions. They provide a compact and cost-effective solution for reducing pipe size in industrial piping applications.

Features of Forged Reducing Inserts

Flangeman Steel Worldwide Pvt Ltd’s forged reducing inserts are precision-engineered for secure and reliable performance in high-pressure systems. The hot forging process enhances grain structure and mechanical strength, making them more durable than cast alternatives. These inserts provide smooth flow transition, reduce turbulence, and maintain pressure integrity in piping systems. Their compact design allows easy installation in confined spaces while ensuring leak-proof performance. With corrosion-resistant material options and strict adherence to international standards, our reducing inserts deliver consistent quality and dependable operation.


Material Used in Manufacturing Forged Reducing Inserts.

    Steel

    Carbon Steel

    Alloy Steel

    Duplex & Super Duplex Stainless Steel

    Nickel Based Alloys


Key Applications

Oil & Gas Industries

Petrochemical Plants

Refineries

Power Generation

Boiler Systems

Water Treatment Plants

Industrial Process Piping

Marine & Offshore Projects


Why Choose Flangeman Steel Worldwide Pvt Ltd?

Pulp and Paper Industry

Sea Water Equipment

Pharmaceutical Equipment

Off-Shore Oil Drilling Companies

Petrochemicals

Heat Exchangers

Pharmaceuticals


Standards and Specification.

Parameter Specification
Product Name Forged Reducing Insert
Types Socket Weld Insert
Size Range 1/8” to 4” (DN6 – DN100)
Pressure Class – Socket Weld 3000 LB, 6000 LB, 9000 LB
Connection Type Threaded (NPT / BSPT) / Socket Weld
Manufacturing Process Closed Die Forging
Carbon Steel Grade ASTM A105 / A105N
Stainless Steel Grades ASTM A182 F304 / F304L / F316 / F316L
Alloy Steel Grades ASTM A182 F11 / F22 / F91
Design Standard ASME B16.11
Thread Standard ANSI/ASME B1.20.1
Testing Hydrostatic Test, PMI Test, Visual & Dimensional Inspection
Surface Finish Black, Galvanized, Pickled & Passivated
Certification EN 10204 3.1 MTC

We at, Flangeman Steel Worldwide Pvt Ltd, undertake hardness and resilience tests prior to delivering them to our customers. As we are one of the foremost Manufacturers of stainless steel flanges in India, we also provide Slip-on-flanges, lap joint flanges, socket weld flanges, threaded flanges, etc. Professionals from our squad also scrutinize the item to validate the quality of the product before packaging it for consumers

Lets Get in Touch!

Welcome to Flangeman Steel Worldwide Pvt. Ltd. – Shaping Strength with Precision Our journey, firmly grounded in a legacy of excellence, has evolved into a dynamic new phase of growth and innovation. With a renewed vision and global outlook, we continue to redefine standards in steel solutions, building a stronger and more sustainable future.

DOWNLOAD PDF